ESD electrostatic protection
|
Information of ESD The reason of Electrostatic Discharge: a. Two substances via the contact friction and loss of electrons or the electron, the charge band (no flow) termed static; b. Due to switch electricity or lightning induced surge also indirect causes static electricity; c. Temperature and humidity affect the turboelectric charged, at less than 45℃, it will produce higher humidity greater voltage more than in 55℃, damaging also relatively large. The selection tips of ESD 1. The Vrwm is bigger or equal to the circuit working voltage is better; 2. The Cp of ESD is confirmed by the rate of data port, the data transfer more faster ,the Cp of ESD should be more smaller; 3. Selecting suitable Ipp for your circuit, the suitable Vc for your circuit and power=Ipp*Vc*power factor; 4. According to the PCB to select package (1-channel or multi-channels). |
| Part Number |
Vrwm(V)
|
Vbr(V)
|
Vc(V)
|
Cj(pF)
|
Ppp(W)
|
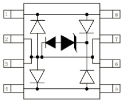
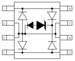
Inner Diagram | Data sheet |
|---|---|---|---|---|---|---|---|
| LCDA24 | 24 | 26.7 | 43 | 5 | 500 |
![]() |
|
| SMDA33C | 3.3 | 4 | 6.5 | 5 | 500 |
![]() |
|
| SMDA05C | 5 | 6 | 10 | 230 | 1000 |
![]() |
|
| SMDA12C | 12 | 13.3 | 19 | 100 | 500 |
![]() |
|
| SMDA15C | 15 | 16.5 | 20.5 | 65 | 500 |
![]() |
|
| SMDA24C | 24 | 26.7 | 43 | 50 | 500 |
![]() |
|
| LCDA05C-4 | 5 | 6 | 9.8 | 5 | 460 |
![]() |
|
| LCDA12C-4 | 12 | 13.3 | 19 | 5 | 500 |
![]() |
|
| LCDA15C-4 | 15 | 16.7 | 24 | 5 | 500 |
![]() |
|
| LCDA24C-4 | 24 | 26.7 | 43 | 5 | 500 |
![]() |
|
| SMDA05C-7 | 5 | 6 | 8.7 | 110 | 500 |
![]() |
|
| SMDA12C-7 | 12 | 13.3 | 19 | 120 | 300 |
![]() |
|
| SMDA15C-7 | 15 | 16.7 | 24 | 75 | 300 |
![]() |
|
| SMDA24C-7 | 24 | 26.7 | 43 | 50 | 300 |
![]() |
|
| SLVU2.8-4 | 2.8 | 3 | 5 | 2 | 600 |
![]() |
|
| LC3304EP8 | 2.8 | 3 | 5 | 2 | 600 |
![]() |
|
| SLVU2.8-8 | 2.8 | 3 | 6.3 | 7 | 600 |
![]() |
|
| SRDA3.3-4 | 3.3 | 4 | 6.5 | 5 | 500 |
![]() |
|
| SRDA05-4 | 5 | 6 | 9.8 | 5 | 500 |
![]() |
|
| SRDA12-4 | 12 | 13.3 | 19 | 5 | 500 |
![]() |
|
| SRDA15-4 | 15 | 16.7 | 24 | 5 | 500 |
![]() |
|
| LC03-6 | 6 | 6.8 | 15 | 8 | 2000 |
![]() |
|
| LCDA05C-8 | 5 | 6 | 9.8 | 5 | 500 |
![]() |
|
| LCDA12C-8 | 12 | 13.3 | 20 | 5 | 500 |
![]() |
|
| LCDA15C-8 | 15 | 16.7 | 26 | 5 | 500 |
![]() |
|
| LCDA24C-8 | 24 | 26.7 | 40 | 5 | 500 |
![]() |
|
| SM03 | 3 | 4 | 15 | 135 | 300 |
![]() |
|
| SM05 | 5 | 6 | 8 | 168 | 450 |
![]() |
|
| SM08 | 8 | 8.5 | 13 | 85 | 200 |
![]() |
|
| SM12 | 12 | 13.3 | 19 | 55 | 650 |
![]() |






























